HOME サイトマップ 営業日カレンダー お問い合わせ

マメ知識・PLC/シーケンサ


株式会社コニファ・ロゴ




マメ知識・PLC/シーケンサ



株式会社コニファ・無料で使えるBtoB WEB受注システム・0万石 WEB受注システム(バナー用3)
無料で使えるBtoB WEB受注システム,0万石受注システム,0円,Free
無料で使えるBtoB WEB受注システム
0万石 WEB受注システム

  • マメ知識・TOPページへ

PLC/シーケンサ とは

PLCとは、プログラマブルロジックコントローラ(programmable logic controller)の略称で、外部の機器や装置を制御するため、従来使われていたリレーシーケンス(有接点シーケンス)の代替装置として開発された電子機器(小型のコンピュータの一種)です。また、単にプログラマブルコントローラ(略称PC)とも呼ばれますが、略称は一般のパソコンと混同されるため、用いることは少ないようです。

シーケンサとは、国内で販売されているPLCのうち5割近くのトップシェアを持つ三菱電機が販売しているPLCの商品名です。シェアがトップで普及が広いこと、この商品名が登録商標ではないことなどから、他社のPLCを含めてPLC全体をシーケンサと呼ぶことが多くなっています。

PLC/シーケンサ が実際に使われているところ

シーケンス制御をともなう産業設備や装置に広く使われています。例をあげると、自動車や電気製品などの製造ラインのファクトリーオートメーションシステム、食品加工・包装機械、金属加工機械、半導体製造装置、立体駐車場、エレベーター、自動ドア、テーマパークの遊具、自動洗車機などになります。

PLC/シーケンサ のしくみ

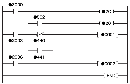
前述のように、PLCは小型のコンピュータの一種です。一般のパソコンと同様に中枢にはマイクロプロセッサが使われ、ソフトウェアで動作します。パソコンとの違いは、リレーによる論理回路を記述するために考案されたラダー図(ラダーとは梯子のことで、梯子のように見えるため)を作成することに特化したラダーロジック(言語)を使う点です(一部違う言語を使用するものもあります)。このラダー図により電気技術者はPLCのプログラムを図面として扱うことができます。

ラダー図サンプル ラダー図サンプル

PLCが作られる前のリレーシーケンス回路設計には、シーケンス図が使われてきました。ラダー図は、従来のリレーシーケンス回路設計技術者が継続して設計が可能なように、シーケンス図を元にして、書き方や見方に支障のないよう似せて作られています。

● PLC/シーケンサ に関するコニファの取り組み

コニファでは、時間貸し立体駐車場の精算所のPOSと三菱電機のシーケンサを使用して、出庫台数のカウントを取る仕組みを構築した実績がございます。

 


 



株式会社コニファ:ミニbanner画像include用-1(フルパス)

株式会社コニファのSaaS、ASP

  • ハンディターミナルを活用したシステム開発
  • SATOラベルプリンタ用システム開発
  • 耐洗ラベルプリントシステム開発
  • 定期配達・回収品管理システム
  • 無料で使える,0万石在庫照会システム,0円,Free
  • BtoB WEB受注システム
  • 0万石 WEB受注システム
  • 購買システム,既存のホストを利用するEDI連動型・百万石 購買システム,小口の仕入先,電子化,納期情報,コメント
  • 「BtoB WEB受注システム」PKI認証対応版
  • 「BtoB WEB受注システム」スマートフォン・iPad対応版


 

コニファHOME | サイトマップ | 会社案内 | お問い合わせ

Copyright© 2019 Conifer,Inc. All rights reserved.